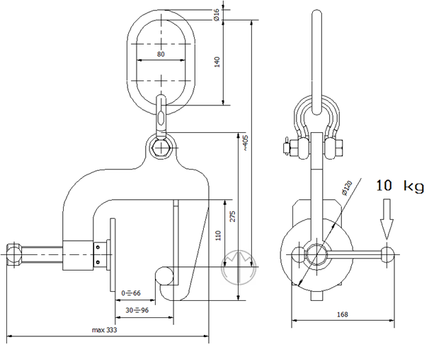
Trawersa TBB-UA do podnoszenia worków BIG-BAG
WLL: 1500 kg




Udźwig [kg] |
Zakres chwytania [mm] |
Masa [kg] |
500 |
0 - 66 |
9,0 |


Udźwig [kg] |
Zakres chwytania [mm] |
Masa [kg] |
500 |
0 - 66 |
9,0 |
WLL: 1500 kg

Udźwig: od 4 200 do 7 000 kg

![]()
Udźwig: od 80 do 500 kg
WLL: 1800 kg

Udźwig: od 1 000 do 3 000 kg
Zakres chwytania: od 0 do 55 mm

![]()
WLL: od 1000 do 2000 kg


