Indeks: 3645

-
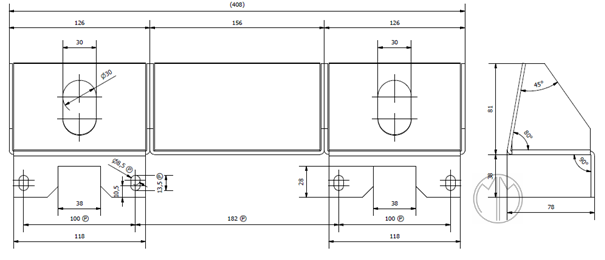
Uchwyt przeznaczony do podnoszenia transformatorów o łącznej masie nie przekraczającej 75 kg. Uchwyt przeznaczony do współpracy z zawiesiem. Uchwyt jednocześnie podnosi dwa transformatory
-
Spełnia przepisy dyrektywy maszynowej: 2006/42/WE
-
Wykonany wg zharmonizowanej normy: PN-EN 13155
Cechowany: znak wytwórcy, znak CE, nr fabryczny, rok produkcji.

Udźwig [kg] |
Rozstaw dla punktów nośnych transformatora [mm] |
Rozstaw sworzni sąsiednich transformatorów [mm] |
Masa [kg] |
75 |
100 |
182 |
2,06 |
Dodatkowe informacje
3645
-
Uchwyt przeznaczony do podnoszenia transformatorów o łącznej masie nie przekraczającej 75 kg. Uchwyt przeznaczony do współpracy z zawiesiem. Uchwyt jednocześnie podnosi dwa transformatory
-
Spełnia przepisy dyrektywy maszynowej: 2006/42/WE
-
Wykonany wg zharmonizowanej normy: PN-EN 13155
Cechowany: znak wytwórcy, znak CE, nr fabryczny, rok produkcji.

Udźwig [kg] |
Rozstaw dla punktów nośnych transformatora [mm] |
Rozstaw sworzni sąsiednich transformatorów [mm] |
Masa [kg] |
75 |
100 |
182 |
2,06 |
Dodatkowe informacje
3645
W tej samej kategorii
Uchwyt do przyspawania WRC
Udźwig: od 0,2 do 4 t

Uchwyt do podkładów SB-3 i K - HCW BZ
Udźwig: 500 kg/para
Do podkładów SB-3 i K

![]()




