Trawersa TPK-C do podnoszenia kontenerów morskich
WLL: od 16 000 do 30 500 kg


Cechowany: znak wytwórcy, znak CE, nr fabryczny, rok produkcji.

| Udźwig [kg] |
Wymiar kieszeni pod widły [mm] |
Wewnętrzny rozstaw kieszeni [mm] |
Masa [kg] |
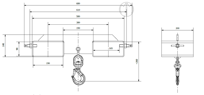
| 800 | 190 x 90 | 190 | 13 |
Cechowany: znak wytwórcy, znak CE, nr fabryczny, rok produkcji.

| Udźwig [kg] |
Wymiar kieszeni pod widły [mm] |
Wewnętrzny rozstaw kieszeni [mm] |
Masa [kg] |
| 800 | 190 x 90 | 190 | 13 |
WLL: od 16 000 do 30 500 kg

Średnica liny: od 6 do 23 mm

WLL: 13 000 kg

WLL: od 500 do 20 000 kg

Średnica liny: od 6 do 35 mm

