Indeks: 3451

-
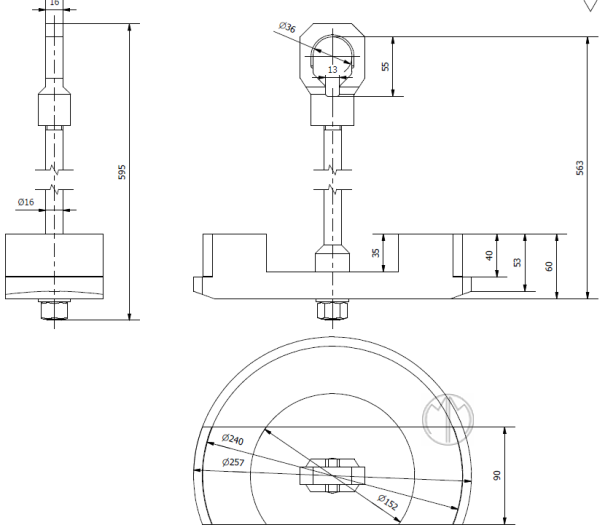
Zaczep służy do transporty ładunków posiadających wpust dopasowany do łuków powierzchni bloku. Kształt podnoszonego elementu i jego położenie podczas transportu powinno uniemożliwiać przypadkowe wysunięcie bloku zaczepu
-
Spełnia przepisy dyrektywy maszynowej: 2006/42/WE
-
Wykonany wg zharmonizowanej normy: PN-EN 13155
Cechowany: znak wytwórcy, znak CE, nr fabryczny, rok produkcji.

Udźwig[kg] |
Masa[kg] |
150 |
8,1 |
Dodatkowe informacje
3451
-
Zaczep służy do transporty ładunków posiadających wpust dopasowany do łuków powierzchni bloku. Kształt podnoszonego elementu i jego położenie podczas transportu powinno uniemożliwiać przypadkowe wysunięcie bloku zaczepu
-
Spełnia przepisy dyrektywy maszynowej: 2006/42/WE
-
Wykonany wg zharmonizowanej normy: PN-EN 13155
Cechowany: znak wytwórcy, znak CE, nr fabryczny, rok produkcji.

Udźwig[kg] |
Masa[kg] |
150 |
8,1 |
Dodatkowe informacje
3451
W tej samej kategorii
Uchwyt do bębnów i szpul GR-P
Udźwig: 130 kg

Chwytak magnetyczny Ultralift TP
Udźwig: od 75 do 400 kg
Uchwyt do beczek GB-D
Udźwig: 360 kg
Zakres chwytania: od 471 do 646 mm

Uchwyt do blach CTA
Udźwig: od 1 000 do 3 000 kg
Zakres chwytania: od 0 do 38 mm

![]()




