Indeks: 3470

-
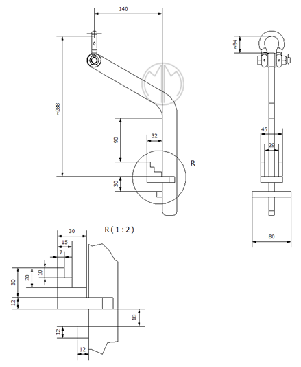
Zawiesie jest przeznaczone do transportu kadłubów silników elektrycznych
-
Spełnia przepisy dyrektywy maszynowej: 2006/42/WE
-
Wykonany wg zharmonizowanej normy: PN-EN 13155
Cechowany: znak wytwórcy, znak CE, nr fabryczny, rok produkcji.

Udźwig[kg] |
Masa[kg] |
25 |
2,0 |
Dodatkowe informacje
3470
-
Zawiesie jest przeznaczone do transportu kadłubów silników elektrycznych
-
Spełnia przepisy dyrektywy maszynowej: 2006/42/WE
-
Wykonany wg zharmonizowanej normy: PN-EN 13155
Cechowany: znak wytwórcy, znak CE, nr fabryczny, rok produkcji.

Udźwig[kg] |
Masa[kg] |
25 |
2,0 |
Dodatkowe informacje
3470
W tej samej kategorii
Wciągnik łańcuchowy dźwigniowy MKS
Udźwig: od 750 do 9000 kg
![]()
![]()

Uchwyt do bębnów i szpul GR-K
Udźwig: 10 000 kg

Żuraw przestawny ALPHA 100
Udźwig: od 63 do 1000 kg


Uchwyt śrubowy do blach KNS
Udźwig: od 500 do 6 000 kg
Zakres chwytania: od 0 do 75 mm

![]()




