Indeks: 3683

-
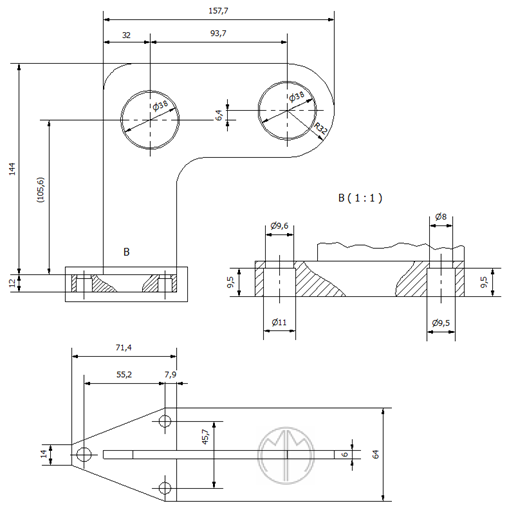
Uchwyt przeznaczono do podnoszenia konstrukcji silników
-
Spełnia przepisy dyrektywy maszynowej: 2006/42/WE
-
Wykonany wg zharmonizowanej normy: PN-EN 13155
Cechowany: znak wytwórcy, znak CE, nr fabryczny, rok produkcji.

Udźwig [kg] |
Masa [kg] |
100 |
1,0 |
Dodatkowe informacje
3683
-
Uchwyt przeznaczono do podnoszenia konstrukcji silników
-
Spełnia przepisy dyrektywy maszynowej: 2006/42/WE
-
Wykonany wg zharmonizowanej normy: PN-EN 13155
Cechowany: znak wytwórcy, znak CE, nr fabryczny, rok produkcji.

Udźwig [kg] |
Masa [kg] |
100 |
1,0 |
Dodatkowe informacje
3683
W tej samej kategorii







